U.S. Customers: Orders shipped from Canada may be subject to U.S. import duties, taxes, and/or tariffs as assessed by U.S. Customs and your carrier. These charges are not included in our product prices or shipping rates. You are responsible for any duties/tariffs/fees due on delivery or prior to delivery.
Packed and shipped within Canada!

Premium Marine Quality Parts

Sea-Dog Line
221305-1

90° Angle Brackets, Pr. - 221305-1 - 354-2213051F1

LSN 354-2213051 MPN 221305-1 UPC 35514221887 MFR Sea-Dog Line



Available @
ON, Warehouse
BC, Warehouse


This product may be available for purchase online. For pricing and availability, click the “Ask a Question about this Product” button below to speak with our team. Let us know your shipping destination and required quantity, and we’ll have a personalized quote ready for you.

$10.89
Canadian Dollars
Access Code Required
Enter your access code to unlock purchasing for this item.

My Wishlist
Compare
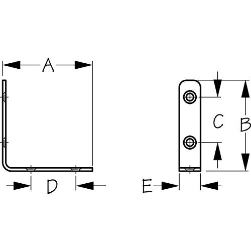
A corrosion resistant 304 stainless steel bracket for 90° connections. Installs with four #8 FH fasteners (not included).

Part #:354-2213051
Manufacturer:SEA-DOG LINE
Manufacturer Part #:221305-1
UPC:035514221887
Order In Multiples Of:1
A1-1/2"
B1-1/2"
C7/8"
D7/8"
E9/16"
Fastener#8 FH
Pack2

Variations
354-221310190° Angle Brackets, Pr.
354-221315190° Angle Brackets, Pr.
Northern Marine Canada
Our products are shipped from Canada!
Parts Warehouse:
Toronto, Ontario, Canada
Head Office:
Kingston, Ontario

About Us

Northern Marine is a Canadian supplier of premium marine and RV parts and accessories from top industry brands. We focus on quality, accurate listings, and dependable fulfillment so you can maintain, repair, and outfit your boat or RV with confidence.

Our goal is simple: get you the right parts, shipped fast, with straightforward service you can count on.